致力于风电、光伏、自动化设备的结构及系统集成
低压无功补偿电容整柜
浏览量:
0
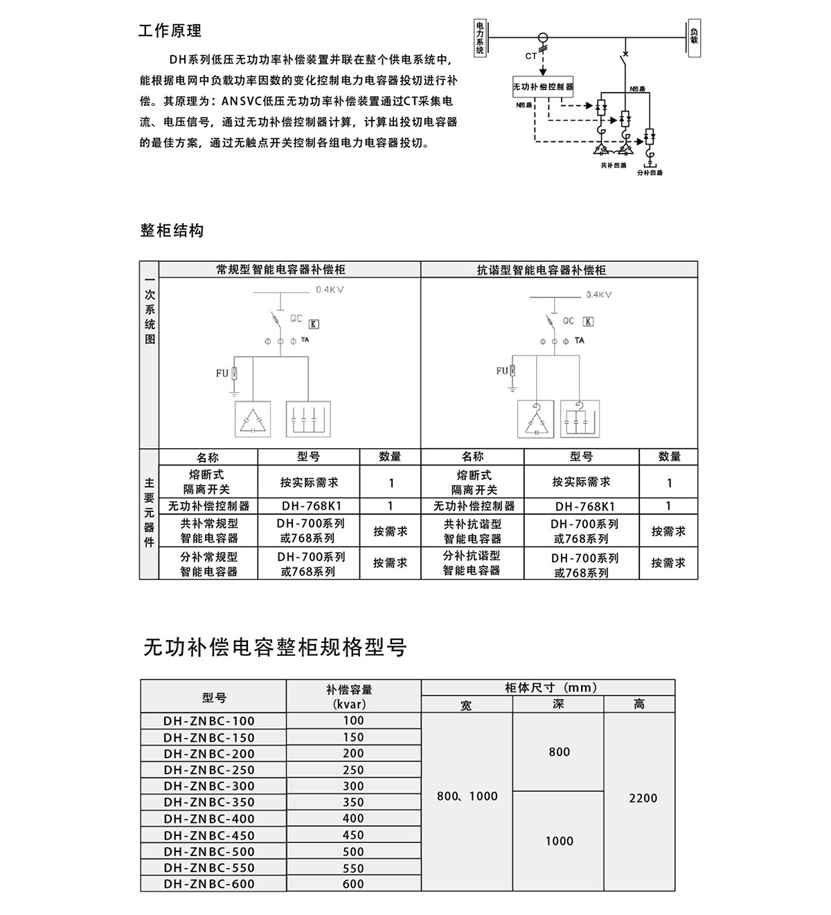
产品描述



安徽黑马电气有限公司
联系电话:
18656578065
联系邮箱:
联系地址:
安徽省芜湖市湾沚区湾沚镇芜湖南路B栋55号
安徽黑马电气有限公司 备案号:皖ICP备2024048340号-1
| 中国
扫一扫微信




